Выбираем реле давления воды для насоса: основные критерии
Чтобы выбрать подходящую модель, надо ориентироваться на ряд критериев. Неправильный выбор может привести к тому, что система будет работать неправильно
Предлагаем узнать, на что обратить внимание, выбирая подходящую модель для системы водоснабжения частного дома
Выбрать оптимальную модель бывает очень сложно
По конструкции
Для начала стоит определиться с конструктивными особенностями реле. Всё зависит от требуемой точности. У электронных моделей варьируемые параметры могут меняться в более узком диапазоне. Однако, по сравнению с механическими аналогами, они имеют более высокую стоимость, предъявляют повышенные требования к качеству воды и стабильности напряжения в системе электроснабжения.
Устройство с встроенным манометром предпочтительно
Следует также учитывать, что реле для насоса могут быть:
- силовыми, с помощью которых осуществляется включение и выключение насосной установки;
- управляющим. Такие устройства подают сигнал на силовой блок управления, отвечающий за работоспособность насоса.
Силовые реле сразу отключают насос
По техническим параметрам
Насос и гидроаккумулятор приобретаются до покупки реле. Кроме того, для выбора контроллера, надо знать рабочие параметры системы водоснабжения. В частности:
- максимальное допустимое давление в системе;
- минимальное давление;
- давление в воздушной камере гидроаккумулятора.
Два последних параметра связаны между собой. Минимальное давление в системе должно быть выше, чем аналогичный параметр в воздушной камере гидроаккумулятора, на 0,2 атм. В противном случае мембрана начнет интенсивно изнашиваться.
Также следует проконтролировать максимальную мощность, на которую рассчитана конкретная модель. Она должна соотноситься с характеристиками насоса.
До начала монтажных работ, следует убедиться в соответствии реле давления воды требованиям системы
По производителю
Чтобы приобрести качественную модель, чьи характеристики полностью соответствуют заявленным, мы советуем обратить внимание на продукцию:
- «Юнипамп». В каталоге российского производителя представлены качественные модели по умеренной цене. Предлагаемые реле ориентированы на взаимодействие с насосами, мощность которых не превышает 1,5 кВт. Встроенные манометры упрощают монтажные работы;
- Grundfos. Предлагаемые датской компанией устройства отличаются высоким качеством изготовления. Имеют уровень защиты IP52, что практически не ограничивает место их установки. Некоторые устройства могут эксплуатироваться при напряжении менее 220 В. По заявленным производителем параметрам, можно подобрать реле давления воды для подключения к насосу с определённой мощностью;
- Condor. Качественные реле от немецкого производителя отличаются универсальностью. Компания предлагает двухполюсные модели. Имеют достаточно высокую стоимость;
- Italtecnica. Итальянский производитель смог совместить высокое качество и приемлемую цену. Давление в системе может регулироваться в пределах 1 – 5 бар;
- «Джилекс». Качественные модели с оптимальным функционалом.
«Джилекс» – гарантия качества
Качественные реле давления воды предлагают и другие производители: «Прессконтроль», «Акваробот», «ВиСтан 3», Alco, «Малыш» и Espa.
Насколько важно иметь реле давления для системы водоснабжения в доме?
Этот функциональный прибор позволяет экономить электричество. За счет сокращения циклов включения и выключения увеличивается срок эксплуатации оборудования. Автоматический реле давления подстраивается под режим работы насосной системы в соответствии с мощностью помпы. Всегда удается поддерживать стабильный напор, который не будет причиной гидроударов и других негативных факторов, влияющих на работу насоса.

Установка реле давления для домашнего использования чаще всего объективна с применением мембранного бака. Эти два элемента создают систему автономного водоснабжения в доме. Если вы правильно наладите все рабочие механизмы, подберите и установите их под свою систему водоснабжения, в дальнейшем не возникнет трудности с распределением воды в системе.
Что собой представляют частотные преобразователи
Часто производители водонасосов еще на этапе сборки их конструкций включают в них частотные преобразователи. Например, как в насосах Грундфос, которые пользуются высоким спросом. В более дорогих моделях в качестве преобразователей используются микропроцессоры, тем не менее, не во всех насосах предусматриваются преобразователи частоты и может потребоваться их отдельное приобретение и установка.
Таким образом вы можете выбрать насос в котором уже есть частотный преобразователь для насоса и всеми опциями, так и приобретать их отдельно с возможностью подключением дополнительных возможностей, зависимо от меняющихся потребностей.

Инверторы для насосов представляют собой сочетание асинхронного двигателя с фазным ротором, который работает в режиме генератора-преобразователя. Им управляет микропроцессор, оснащенный большим функционалом, а сам частотник, несмотря на достаточно сложную конструкцию, имеет простой интерфейс, благодаря которому им сможет легко управлять обычный пользователь.
Частотный регулятор на водяной насос устанавливается на электродвигателе, в месте расположения штатной клемной коробки или на стене, в специальном шкафу. Сами инверторы отличаются по мощности и весу и характеризуются наличием надежной защиты от перегрузки.
Настройка реле давления
В процессе сборки насосной станции особое внимание уделяется настройке реле давления. От того, насколько правильно будут выставлены его предельные уровни, зависит удобство эксплуатации , а также сроки безаварийной службы всех составляющих устройства
На первом этапе нужно проверить давление, которое было создано в баке при изготовлении насосной станции. Обычно в заводских условиях устанавливается уровень включения в 1,5 атмосферы, а отключения – 2,5 атмосферы. Проверяют это при пустом баке и отключённой от электросети насосной станции. Рекомендуется проводить проверку автомобильным механическим манометром. Он помещается в металлическом корпусе, поэтому измерения получаются более точными, чем с использованием электронных или пластиковых манометров. На их показания могут повлиять как температура воздуха в помещении, так и уровень зарядки батареи. Желательно, чтобы предел шкалы манометра был как можно меньшим. Потому что по шкале, к примеру, в 50 атмосфер очень сложно будет точно измерить одну атмосферу.
Для проверки давления в баке нужно открутить колпачок, закрывающий золотник, подсоединить манометр и снять по его шкале показание. Давление воздуха следует и в дальнейшем периодически проверять, например, один раз в месяц. Воду при этом нужно полностью удалить из бака, отключив насос и открыв все краны.
Возможен и другой вариант – внимательно следить за давлением отключения насоса. Если оно увеличилось, это будет означать уменьшение давления воздуха в баке. Чем меньшим будет давление воздуха, тем больший запас воды может быть создан. Однако разброс давления от полностью заполненного до практически опустошённого бака получается большим, и всё это будет зависеть от предпочтений потребителя.
Выбрав желаемый режим работы, нужно установить его, стравив для этого лишний воздух, или подкачать дополнительно. Нужно иметь в виду, что не следует уменьшать давление до значения менее одной атмосферы, а также чересчур перекачивать его. Из-за малого количества воздуха резиновая ёмкость, наполненная водой внутри бака, будет касаться его стенок и протираться. А излишек воздуха не даст возможности закачивать много воды, поскольку значительную часть объёма бака будет занимать воздух.
4 Какие ещё варианты автоматики есть у компании Джилекс?
3 Совместимые с блоком насосные аппараты
Автоматика от Джилекс является универсальным прибором. С его помощью может регулироваться работа насосных аппаратов от различных производителей. Касательно принципа действия, такой механизм для выравнивания давления устанавливается на вибрационный, центробежный, вихревой, шнековый насос.
Наиболее эффективно прибор работает в комплекте с насосными аппаратами, которые отвечают следующим характеристикам:
- сила тока в диапазоне 6-10 А;
- производительность устройства до 100 л/мин;
- напряжение не выше 250 В;
- максимальный предел температуры перекачиваемой жидкости – 75 градусов;
- подключение к трубе с сечением 1 дюйм.
Особенности электромеханических моделей
Этот тип реле работает непосредственно с гидроаккумулятором. Без его использования и включения в сеть система водоснабжения не может быть устроена. Последнее время электромеханические модели чаще заменяют современными электронными вариантами. Это связано с возможностью выхода из строя оборудования, снижение рисков его износа. Защита работы насоса от сухого хода предотвращает множество неполадок, которые могут возникнуть в таком случае.

В электромеханических моделях показатели рабочего давления могут быть от 1,5 до 6 бар. При выборе подходящего реле в зависимости от вашей системы водоснабжения стоит ориентироваться на показатели: напряжение контактов, тип используемого датчика, показатели тока, защита от влаги, параметры присоединительной резьбы и другие факторы. Датчики давления чаще всего устанавливают на гидробак, однако есть возможность использования и отдельно.
Изобилие в продаже моделей датчика определяет достойный выбор для покупателей. Однако при выборе оборудования для внутренней системы водоснабжения стоит ориентироваться только на варианты реле с работой в соответствующей среде
Не стоит усложнять свой выбор, обращая внимание на сложные конструкции под конкретную рабочую среду в определенных типах жидкостей.
При установке насосной станции реле входит уже в комплект. Для правильного монтажа потребуется подобрать подходящее сечение кабеля и выполнить его заземление. Насос должен располагаться правильно с учётом защиты оборудования от сухого хода. После выполнения всех этапов подключения проверьте систему и отрегулируйте реле давления. В большинстве случаев на производстве реле настраивают, но перед включением домовладелец обязан убедиться в подходящих оптимальных показателях — от 1,4 до 2,8 атмосфер. В зависимости от модели технических параметров насоса вы можете скорректировать эти данные, чтобы в дальнейшем обеспечить оптимальную работу оборудования.
Гидроаккумулятор в обязательном порядке проверяют минимум один раз в месяц. При необходимости потребуется скорректировать параметры давления воздуха. Если вы игнорируете профилактику и тестирование оборудования, есть риски быстрого износа резиновой мембраны. В документации к насосному оборудованию всегда фиксируют ключевые рабочие показатели, на которой необходимо ориентироваться для оценки рабочего состояния устройства.
Работа насоса зависит от установленных значений. Когда давление достигает определенного показателя, насос отключается. Так устроен механизм работы оборудования. Параллельно вы можете зафиксировать показания манометра в момент выключения системы. Если они не соответствуют рекомендованным параметрам, нужно настроить с помощью большой пружины.
Настройка показателей необходима до того момента, пока вы не выйдете на оптимальное значение через фиксирование манометра. Пружины достаточно чувствительные, поэтому избегайте резких движений, выполняете все точно и аккуратно. Есть риски, что рекомендованные и рабочие параметры могут не соответствовать определенной системе водоснабжения. В таком случае вам потребуется дополнительно разобраться в расчетах параметров и выполнить новые изменения.
Настройка реле
Установка и подключение
Настройка и регулировка
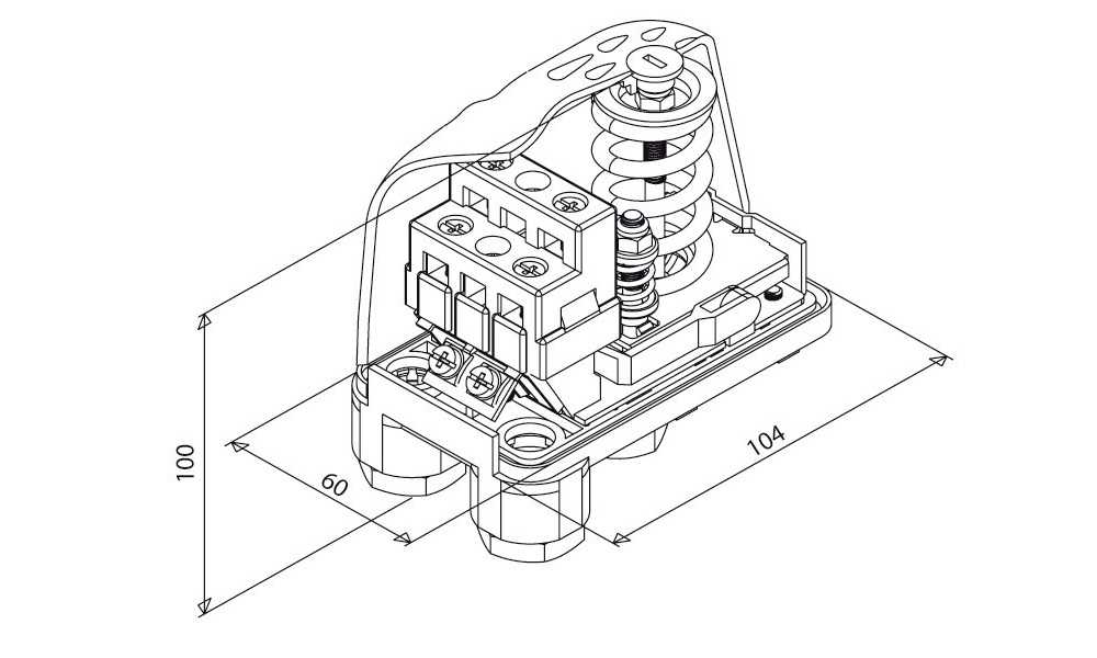
Настойка реле давления воды осуществляется посредством двух гаек, расположенных поверх пружин внутри корпуса устройства. Первая гайка отвечает за регулировку нижнего предела давления. Вторая гайка позволяет установить разницу пределов по давлению для коммутации оборудования.

Регулировка производится при отключенном питании. На этапе холостого хода без воды устанавливается предел включения. Нижний предел необходимо выбрать таким образом, чтобы давление было хотя бы на 10% большее, чем при холостом ходе. Верхний предел также не рекомендуется подбирать не более 80 % от номинального.
Схемы подключения
Так как принцип подсоединения реле давления воды к системе водоснабжения мы рассмотрели, теперь разберем основные принципы электрического подключения.

Питание реле осуществляется от сети 230 В, от счетчика электрической энергии фазный и нейтральный проводник подается на ввод логического элемента. От шины защитного заземления также подводится провод на ввод. От реле к насосу также выводится три провода: защитный, нулевой и фазный для подачи питания на компрессорную установку. Если рассматривать само устройство, то принцип подключения следующий:

Для защиты человека от поражения электротоком и для предотвращения возгорания от коротких замыканий в цепь электроснабжения насоса устанавливается диффавтомат. Но его можно заменить УДТ и обычным автоматическим выключателем. Помимо этого в схеме может устанавливаться реле сухого хода, тогда подключение будет производится следующим образом:

Как отрегулировать прибор?
Соединения наружных и внутренних трубопроводов должны быть проверены испытаниями, чтобы возникающие впоследствии протечки не мешали процессу регулировки. Из-за негерметичности стыков давление до насоса или после него станет самопроизвольно снижаться, что скажется и на работе реле.
Перед настройкой следует определить необходимую величину напора. Чтобы подать воду во все точки водоразбора, расположенные на разных этажах, надо обеспечить необходимое давление в гидроаккумуляторе. Усилий мембраны бака должно хватать на то, чтобы вытолкнуть весь объем воды на необходимую высоту и преодолеть все местные сопротивления. В домашних условиях эта величина давления чаще всего определяется экспериментальным путем.
Расчет делается просто: 1 м высоты подъема равен 10 м горизонтального участка и соответствует давлению 0,1 Бар. В расчет принимается самая дальняя ветвь водоснабжения. Примерно определив необходимый напор, надо создать такое давление со стороны воздушной камеры гидроаккумулятора. Для этого следует снять пластиковый колпачок с золотника (как правило, находится в торце бачка) и обычным автомобильным насосом подкачать воздушную камеру, контролируя давление манометром.
- Не присоединяя патрубок внутренней водопроводной сети, проверьте, как работает реле совместно с насосом на заводских настройках. Заодно проверьте герметичность наружного трубопровода.
- Снимите пластмассовую крышку реле, прикрывающую регулировочные винты.
- Большим винтом регулируется верхний предел (отключение насоса), маленьким — перепад давлений. Отрегулируйте нижний предел таким образом, чтобы его величина составляла на 0,2 Бар больше, чем вы закачали в гидроаккумулятор.
- Чтобы выйти на точные значения, настраивать придется несколько раз, открывая краны смесителей и выпуская воду из аккумулятора. При этом регистрируйте показания манометра при отключении и включении насоса и корректируйте их настроечными винтами.
В результате настроек разница между нижним и верхним пределом не должна быть менее 1 Бар. Практика показывает, что оптимальный перепад давлений — около 1,5 Бар, тогда насос не будет включаться слишком часто. По окончании регулировки не спешите ставить крышку на место, проследите в течение 1 дня за работой системы. Возможно, потребуется небольшая корректировка.
Возможные неисправности
Все поломки прибора можно свести к 3-м основным неисправностям:
- Давление упало до минимального уровня, но насос не стартует.
- Напор поднялся до максимального значения, но насос не выключается.
- Двигатель насоса включается хаотично, рывками.
Начать ремонт следует с настройки реле. В редких случаях таким способом удается восстановить нормальную работу.
У механического прибора при настройке снимается крышка, это дает возможность произвести осмотр, удалить грязь.
Для последующей борьбы с неисправностью устройство демонтируют. Проверяется, не засорилось ли входное отверстие реле. Если осмотр и чистка не дали результатов, обращаются к специалистам.
Рекомендуем статью по теме
Найти и устранить поломку, или что делать, если не отключается реле давления воды для насоса
Как правильно подключить устройство ↑
Особенность подключения реле давления заключается в том, что его приходится подсоединять к двум сетям – электрической и водопроводной. Первый этап – подключение к системе водоснабжения. Для этого отдельно приобретают специальный переходник, если диаметр резьбы ввода водопровода отличается от резьбового отверстия прибора.
Для реле давления выбирают удобное место на трубопроводе со свободным доступом. Резьбовые соединения уплотняют льном или другим материалом от начала до торца. После этого прибор подсоединяют к резьбе. Гайка должна сесть точно на уплотнение. При работе нужно следить, чтобы уплотнительный материал не вылезал и не собирался складками.
Когда устройство установлено на водопровод, его подключают к электросети. Для этого предусмотрена одна или две пары контактов. Модели с двумя парами встречаются в продаже чаще, обычно владельцы домов приобретают именно их. Если на контактах есть маркировка, то при подключении следует ориентироваться на нее. Если нет – нужно тщательно изучить инструкцию и разобраться в назначении каждого из элементов.
Перед подключением необходимо убедиться, что прибор в порядке, а контакты нормально замыкаются и размыкаются. Для подключения используют трехжильный провод. Первую жилу соединяют с первым контактом, вторую – со вторым, третью – с винтом от провода заземления. К контактам насоса реле подключают с помощью провода соответствующего диаметра.
Схема подключения реле через пятивыводной штуцер
Достоинства и недостатки реле давления воды
К основным преимуществам прибора стоит отнести:
- стабильность работы системы водоснабжения. При этом, электронные модели позволяют более точно настраивать работу насоса;
- благодаря датчику протока во всех электронных и некоторых механических моделях создана защита от «сухого хода», отключающая насос при отсутствии воды;
- защита от гидроудара;
- увеличение срока службы всех элементов системы водоснабжения.
Функционал устройств может отличаться
Датчик «сухого хода» предотвратит нежелательные явления
Из недостатков стоит отметить сложность регулировки механических устройств.
Чтобы отрегулировать механическое реле для насоса, надо обладать определёнными знаниями
Принцип действия
Аппарат состоит из латунного корпуса со штуцерами для подключения к водопроводной сети, пружинных клапанов и электрического реле. Снаружи элементы закрыты пластмассовой крышкой. Схема работы реле давления РДМ 5 выглядит следующим образом:
- Производитель настраивает прибор на низший предел давления 1,4 Бар, высший — 2,8 Бар. Когда давление в гидроаккумуляторе меньше нижнего предела, контакты реле сомкнуты, и насос накачивает воду в промежуточный мембранный бак.
- Когда давление выросло до верхнего предела (2,8 Бар), срабатывает пружинный клапан и размыкает контакты реле. Подача воды прекращается.
- При появлении водоразбора в доме гидроаккумулятор начинает опустошается, давление снижается, и при достижении нижнего порога 1,4 Бар контакты реле снова замыкаются и насос возобновляет свою работу.
Как правило, устройством РДМ 5 комплектуются готовые насосные станции, состоящие из насоса, бачка водяного аккумулятора и собственно реле управления. Станция настроена в заводских условиях и полностью готова к работе, остается только ее подключить к трубе и электросети. Но готовые изделия подходят далеко не всем по следующим причинам:
- емкость гидроаккумулятора недостаточна;
- напор штатного насоса мал, чтобы обеспечить подачу воды на необходимую высоту;
- используется глубинный насос, опускаемый в скважину.
В перечисленных случаях систему автоматической подачи воды придется собрать из отдельных элементов, а реле давления настроить соответствующим образом, согласовав его работу с баком-аккумулятором. Перед приобретением и подключением устройства рекомендуется изучить его технические характеристики:
- диапазон регулирования по давлению в водопроводе — от 1 до 4,6 Бар;
- диапазон температур окружающего воздуха — от 0 до +40 °С;
- минимальный перепад давлений — 1 Бар;
- напряжение питания — 220 В;
- диаметр штуцеров — DN 15, присоединение — G ¼’’.

Если по какая-то из технических характеристик реле РДМ 5 вам не подходит, то придется поискать другой регулятор. Но практика показывает, что параметры данного прибора удовлетворяют требованиям подавляющего числа автономных систем водоснабжения.
Подключение реле давления воды
Установку реле давления для водяного насоса и его обслуживание рекомендуется поручить специалисту, но допускается выполнять самостоятельно. Перед началом монтажа нужно внимательно изучить инструкцию производителя и схему подключения. Ремонт прибора должен осуществлять только профессионал. В состав насосной станции автомат давления воды уже входит.
Электрическая часть
На датчике имеются 3 пары клемм для подсоединения проводов:
- от электросети;
- от насоса;
- заземления.
Кабель нужен с медными жилами сечением от 3х1,5 мм². Если в комплекте нет штепсельной вилки для подключения к сети, то нужно установить ее самостоятельно. Наличие на вилке заземляющего контакта обязательно. Кабель управления насосом оснащают влагозащищенной розеткой с заземлением. В нее вставляют сетевой шнур от помпы.
Схема подключения реле давления для насоса.
Все работы нужно производить при отключенном электропитании. Установку розетки, предохранителей, заземления может выполнять только электрик. Обязательно подключение автомата-выключателя и УЗО (30 мА) или дифференциального автомата.
Подключение к трубопроводу
Большинство моделей реле давления подключают только к системам с гидроаккумулятором (расширительным баком), работать без него могут только некоторые приборы.
Порядок установки прессостата:
- Слить воду из трубопровода в выбранном для реле месте.
- Открутить винт, фиксирующий корпус датчика. Снять крышку.
- Соединить патрубок на прессостате с фитингом на водопроводной трубе. Защитить стык от протечек сантехнической фторопластовой лентой или льном с герметиком.
После подключения к водопроводу подсоединить провода от сети, заземления и помпы к клеммам на реле. Затем выполнить настройку (если нужно), надеть крышку и зафиксировать винтом. Иногда прессостат может не срабатывать из-за неправильно выбранного места установки обратного клапана.
Насосные агрегаты
Многие частные хозяйства не подключены к центральной водопроводной магистрали. Выходом из положения может стать размещение емкости, периодически наполняемой водой, однако такой способ не позволит обеспечить комфортное проживание. Оптимальным способом решения проблемы обеспечения жилища питьевой и хозяйственной водой становится бурение скважины или установка колодца.
Абиссинская скважина на воду
Установив у источника воды (или в нем самом) насос, есть возможность организовать поступление жидкости в постройки или использование ее для полива сада. При этом долговечность и надежность автономной системы снабжения водой в значительной мере зависят от используемого оборудования.
Насос позволяет обеспечить дом водой
Производители предлагают немало видов насосного оборудования, которое относится к погружному (целиком или частично опускаются в жидкость) или наземному типу. Они могут работать как от электрической сети, так и от жидкого топлива (выпускаются бензиновая и дизельная техника). В зависимости от назначения используются водяные (для скважин или колодцев), фекальные или дренажные модели устройств. Конструктив оборудования также может быть различным.
Фекальный насос с режущим механизмом NeoClima DP 1100 DKБензиновый насос Sadko WP-5030
Как устроены и работают реле различного вида
Конструктивное исполнение подобных устройств может отличаться. Производители предлагают механические и электронные модели с различным диапазоном контролируемых параметров. Предлагаем познакомиться с особенностями каждого вида и их отличительными чертами.
Для каждой системы можно подобрать несколько моделей
Механические
В пластмассовом корпусе такого устройства содержится пружинный блок и контакты, положение которых контролируется мембраной (тонкой пластиной), разделяющей сжатый воздух и воду в гидробаке. В состав пружинного блока входят два элемента:
- маленькая пружина, контролирующая значение минимального давления в системе. Для изменения значения контролируемого параметра используются специальные гайки;
- большая пружина, позволяющая изменить максимальное значение давления. Регулировка выполняется с помощью гайки.
Устройство включает большую и маленькую пружину
При работе механического реле, мембрана, отреагировав на изменение давления в системе, смыкает и размыкает контакты. Чем больше данное значение, тем больше изгиб пластины. Как только будет достигнут максимальный порог, произойдёт размыкание контакта. При снижении параметра ниже установленного значения, насос опять включится в работу.
Интервал варьирования задаётся с путём подкручивания пружин
Электронные
Электронные устройства стоят дороже механических. Они проще настраиваются и обеспечивают более высокую точность контроля. В их состав входит контроллер потока, моментально отключающий насос при прекращении подачи воды. Благодаря этому удаётся избежать режима «сухого хода». У большинства моделей имеется собственный гидробак небольшого объёма, который позволяет защитить систему от гидроудара.
Электронные модели просты в эксплуатации
Повышенная чувствительность устройств к наличию примесей в подаваемой воде, может стать причиной их выхода из строя. Для увеличения периода эксплуатации стоит установить фильтры, благодаря которым из рабочей жидкости вовремя будет удалено всё лишнее.
Для длительной работы конструкции наличие фильтра обязательно
Порядок действий
Отворачиваем вентиль. Посмотрите на манометр, и увидите, что стрелка давления сразу начнет стремиться к падению. Насос при этом еще не заработал, ведь происходит выдавливание воды через мембрану. Давление будет продолжать уменьшаться, и на каком-нибудь значении давления произойдет активация насоса.
Потом вентиль нужно будет закрыть, насос после этого еще продолжит работу, напор продолжит повышаться, и на какой-нибудь отметке реле давления насоса произойдет отключение.
Теперь можно приступать к внесению изменений в настройки реле. К примеру, нам необходимо уменьшить уровень напора с 2,8 до 2,2 бар. Нам известно, что один полный поворот ключа будет равняться уменьшению давления на 0,1 бара. Из этого можно заключить, что, если нам необходимо уменьшить давление с 2,8 до 2,2 бар, придется произвести ослабление гайки на большой пружине на 6 оборотов. При этом нужно будет крутить гайку против часовой стрелки. После ослабления пружины можно опять подключить насос к электрической сети.
А начнет происходить трактовка реле, то есть оно будет включаться и через некоторое время опять выключаться. Неопытный механик решит, что проблема связана с реле и будет накручивать гайку на одной из пружин. Однако делать этого не нужно, так как проблема заключается совсем в другом. Все дело именно в том, что давление в расширительном баке понижено не было. А ведь напор в баке должен быть меньше напора, при котором происходит активация реле, на 10%.
Итак, напор в расширительно баке должен быть понижен на 1,08 бар. Эта величина определяется путем высчитывания десяти процентов из давления включения – у нас – 1,2 бар. Напор в баке в этом конкретном случае должен соответствовать 1,08 бар. Такой напор должен быть, а на каком уровне он находится в данный момент? Чтобы это определить производим отключение насоса от электросети, отворачиваем вентиль.
После этого начинаем производить замер давления. Берем простой манометр для автомобиля, отворачиваем заглушку, закрывающую золотник, подводим манометр и видим, что манометр выдает 2 бара. А ведь давление должно соответствовать 1,8 бар. Из-за этого и происходила трактовка насоса. У насоса никак не получалось создать необходимый уровень давления, он делал попытки работать без бака, потому что воздушный поток никак не мог пробиться сквозь мембрану.
Замер давления в расширительном баке
Приступаем к исправлению этой ситуации. Нам необходимо будет установить чрезмерный напор. Манометр показывает 1,1. Теперь активируем насос, отворачиваем вентиль, после чего насос продолжит работать в обычном режиме. После открытия вентиля насос станет начинать работать при напоре 1,2 бара, после его закрытия – при 2,2 бара.
У нас все получилось! Теперь мы можем опровергнуть мнения некоторых механиков, которые считают, что мощностью насосного оборудования (обычный насос или полноценная станция) управляет реле давления. А на самом деле функция реле заключается только во включении насоса и его отключении. Если бы вы захотели прибавить давление, при котором происходит деактивация, надеясь при этом, что производительность насоса увеличиться, то вы сделали бы ошибку. Дело в том, что мотор насоса все время работает на предельной мощности, как автомобиль, газовая педаль которого утоплена в пол.
Так и во время забора воды напор увеличить не получится, произойдет только повышение давления отключения. Тем самым будет создана очень большая нагрузка, которой будет подвержена практически вся система. Это значительно увеличит вероятность появления протечек. Возможны и более серьезные аварии. Это приобретает еще большую актуальность, если используются дешевые фитинги и трубы, выполненные сомнительными производителями.
Использование датчика без гидроаккумулятора
Для некоторых моделей оборудования используется схема подключения скважинного насоса с реле давления без накопительного бака.
Специальный автоматический контроллер запускает и останавливает агрегат при достижении граничных показателей. Электронный блок имеет функцию защиты от «сухого хода» и обеспечивает безопасную работу системы.
Внимание. Минус такой схемы – отсутствие минимального запаса воды, который обеспечивает мембранный бак. Прибор запускает насос при открытии крана, после остановки подачи воды оборудование некоторое время работает для создания заложенного уровня давления
Преимущества автоматического контроллера:
Прибор запускает насос при открытии крана, после остановки подачи воды оборудование некоторое время работает для создания заложенного уровня давления. Преимущества автоматического контроллера:
- компактность;
- исключаются расходы на покупку гидроаккумулятора;
- стабильное давление в системе.
Среди недостатков – частое включение насоса, ведущее к преждевременному износу. Такой вид автоматики подходит для сети, используемой для долгого режима включения (полив, наполнение большой емкости).
Монтаж и корректная настройка реле давления насосной станции обеспечивают в системе стабильный напор воды. Правильная регулировка прибора способствует продлению срока эксплуатации оборудования и предотвращает возникновение аварийных ситуаций.
Термин реле давления и его назначение
В насосной системе реле давления выполняет важную функцию. Он выступает движущей силой системы, благодаря которой жидкость поступает в трубы. Датчики воды используют для контроля работы расширительного бака. В модульных станциях чаще всего сразу же предусматривают наличие таких систем в конструкции
Особенно важно использовать реле давления для погружных насосных механизмов.
При прохождении воды через насос гибкая пластина подстраиваться под поток. Далее её изгиб зависит от скорости и объема движущейся воды. Элементы соединяются с помощью пружин. Именно они корректируют положение гибкой пластины в зависимости от потока.
Можно использовать насосы без встроенных датчиков, однако для обустройства системы водоснабжения всего дома этого будет недостаточно. Встроенная автоматика полностью контролирует процесс движения жидкости и ее распределение в системе. Также удается контролировать цикл движения жидкости. Домовладелец может установить автовыключатель, который будет отвечать за запуск, старт и отключения. В зависимости от открытия или закрытия кранов воды забора вам не придется вручную контролировать этот процесс.
Реле давления насосной станции
Особенности электронной автоматики
Подготовка гидробака и его регулировка
Перед поступлением гидроаккумуляторов в продажу в них на заводе закачивают воздух под определенным давлением. Закачка воздуха происходит через золотник, установленный на данной емкости.
Под каким давлением находится воздух в гидробаке, можно узнать из этикетки, приклеенной к нему. На следующем рисунке красной стрелкой указана строка, в которой обозначено давление воздуха в накопителе.

Также данные замеры силы сжатия в баке можно произвести, используя автомобильный манометр. Измерительный прибор подключается к золотнику бака.

Чтобы начать регулировать силу сжатия в гидробаке, необходимо его подготовить:
- Отключите оборудование от электросети.
- Откройте любой кран, установленный в системе, и дождитесь момента, когда жидкость перестанет течь из него. Конечно же, будет лучше, если кран будет находиться недалеко от накопителя или на одном этаже с ним.
- Далее, замерьте силу сжатия в емкости, используя манометр, и запомните это значение. Для накопителей небольших объемов показатель должен быть около 1,5 бар.
Чтобы правильно отрегулировать накопитель, следует учитывать правило: давление, вызывающее срабатывание реле на включение агрегата, должно превышать силу сжатия в накопителе на 10%. Например, реле насоса включает двигатель при 1,6 бар. Значит, необходимо создать и соответствующую силу сжатия воздуха в накопителе, а именно 1,4-1,5 бар. Кстати, совпадение с заводскими настройками здесь не случайно.
Если датчик настраивается для запуска двигателя станции при большем, чем 1,6 бар силе сжатия, то, соответственно, и настройки накопителя меняются. Увеличить давление в последнем, то есть накачать воздух, можно, если воспользоваться насосом для накачки автомобильных шин.

Совет! Коррекцию силы сжатия воздуха в накопителе рекомендуется проводить хотя бы 1 раз в год, поскольку за зиму она может снижаться на несколько десятых бар.





























